Rysunkitechniczne Rover GT 125cc czarny
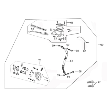
Kliknijtutaj na rysunkach technicznych lub rozstrzelonym widoku czarnego skutera Rover GT 125cc, do ktĂłrego szukasz czÄĆci lub akcesoriĂłw. Rysunki techniczne Rover GT 125cc w kolorze czarnym dajÄ jasny przeglÄ d rĂłĆŒnych pasujÄ cych czÄĆci i akcesoriĂłw. WyszukujÄ c swoje czÄĆci, zawsze masz pasujÄ ce czÄĆci do swojego Rover GT 125cc black


