Rysunkitechniczne dla Kymco People S 4-suwowy szary matowy
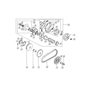
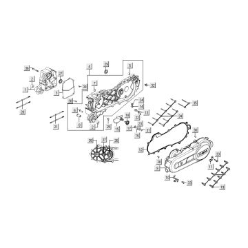
Kliknijtutaj na rysunki techniczne lub widok rozstrzelony Kymco People S 4-suwowy Matt Grey, do ktĂłrego szukasz czÄĆci lub akcesoriĂłw. Rysunki techniczne Kymco People S 4-suwowy Matt Grey dajÄ jasny przeglÄ d rĂłĆŒnych pasujÄ cych czÄĆci i akcesoriĂłw. SzukajÄ c swoich czÄĆci, zawsze masz pasujÄ ce czÄĆci do swojego 4-suwowego Matt Grey Kymco People S.


