Rysunkitechniczne Luuko Roman 125cc srebrny
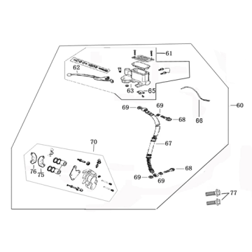
Kliknijtutaj na rysunkach technicznych lub rozstrzelonym widoku srebrnego skutera Luuko Roman 125cc, do ktĂłrego szukasz czÄĆci lub akcesoriĂłw. Rysunki techniczne srebra Luuko Roman 125cc dajÄ jasny przeglÄ d rĂłĆŒnych pasujÄ cych czÄĆci i akcesoriĂłw. SzukajÄ c swoich czÄĆci, zawsze masz pasujÄ ce czÄĆci do srebra Luuko Roman 125cc.


