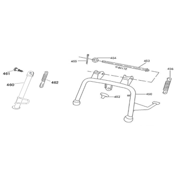
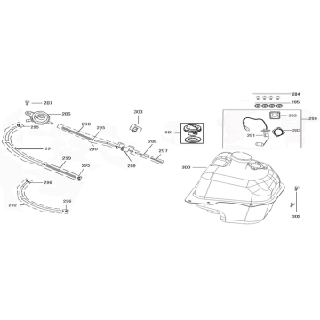
Rysunkitechniczne AGM Star 50cc biały
Kliknijtutaj na rysunkach technicznych lub rozstrzelonym widoku białego skutera AGM Star 50cc, do którego szukasz części lub akcesoriów. Rysunki techniczne AGM Star-50 dają jasny przegląd różnych pasujących części i akcesoriów. Szukając swoich części, zawsze masz pasujące części do swojego AGM Star 50cc biały.
 
            


 
             
             
             
             
             
             
             
             
             
             
             
             
             
             
             
             
            