Rysunkitechniczne Edwards Maple V50-2 125cc czarny matowy
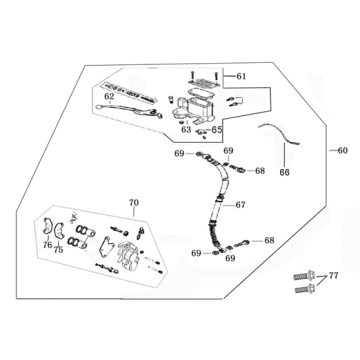
Kliknijtutaj na rysunkach technicznych lub widok rozstrzelony skuter Edwards Maple V50-2 125cc matowy czarny, do ktĂłrego szukasz czÄĆci lub akcesoriĂłw. Rysunki techniczne Edwards Maple V50-2 125cc matowa czerĆ dajÄ jasny przeglÄ d rĂłĆŒnych pasujÄ cych czÄĆci i akcesoriĂłw. WyszukujÄ c swoje czÄĆci, zawsze masz odpowiednie czÄĆci do swojego Edwards Maple V50-2 125cc matowa czerĆ.


