Częścii akcesoria do Znen VPA/ZN50QT-30A
Kliknijtutaj poprawną wersję skutera Znen Snail/ZN50QT-A, do którego szukasz części lub akcesoriów. Rysunki techniczne Znen VPA/ZN50QT-30A dają jasny przegląd różnych pasujących części i akcesoriów. Oczywiście oryginalne części Znen VPA/ZN50QT-30A pasują najlepiej.
 
            HulajnogaZnen VPA
Bagażnikpod siedzeniem jest duży. 4-suwowy silnik GY-6 zapewnia dobrą przyczepność. Znen VPA to klasycznie wyglądający model skutera. Znen VPA to prawdziwy wygląd Vespa. VPA działa na benzynie bezołowiowej i jest ekonomiczny i cichy. VPA jest również odpowiedni dla dwóch osób, a Znen ma stosunkowo dużo miejsca na nogi.
Częścii kolory
Typ VPA występuje w wielu kolorach. Kolory, które są nam znane:
Częścido Znen VPA
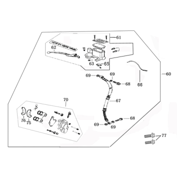
Do konserwacji Twojego Znen VPA bardzo ważne jest, aby używać dobrze dopasowanych części, co zapobiega niepotrzebnemu zużyciu i może spowodować wiele niepotrzebnych kosztów. Powyżej można zobaczyć modele typu VPA, dla których mamy rysunki techniczne. Najpierw wybierz model, a następnie spójrz na rysunek, który Twoim zdaniem potrzebujesz. Jeśli szukasz części w ten sposób, zawsze masz gwarancję odpowiednich części i akcesoriów do Twojego Znen VPA.



 
             
             
             
             
             
             
             
             
             
             
             
             
             
             
             
             
            