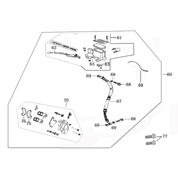
Rysunkitechniczne Killerbee VXL 125cc srebrny
Kliknijtutaj na rysunkach technicznych lub rozstrzelonym widoku srebrnego skutera Killerbee VXL 125cc, do ktĂłrego szukasz czÄĆci lub akcesoriĂłw. Rysunki techniczne srebra Killerbee VXL 125cc dajÄ jasny przeglÄ d rĂłĆŒnych pasujÄ cych czÄĆci i akcesoriĂłw. WyszukujÄ c swoje czÄĆci, zawsze masz odpowiednie czÄĆci do srebra Killerbee VXL 125cc.


