USP Icon
Zapłać po dostawie
USP Icon
Klienci oceniają Zandri na 9
USP Icon
Ponad 100 000 części w asortymencie

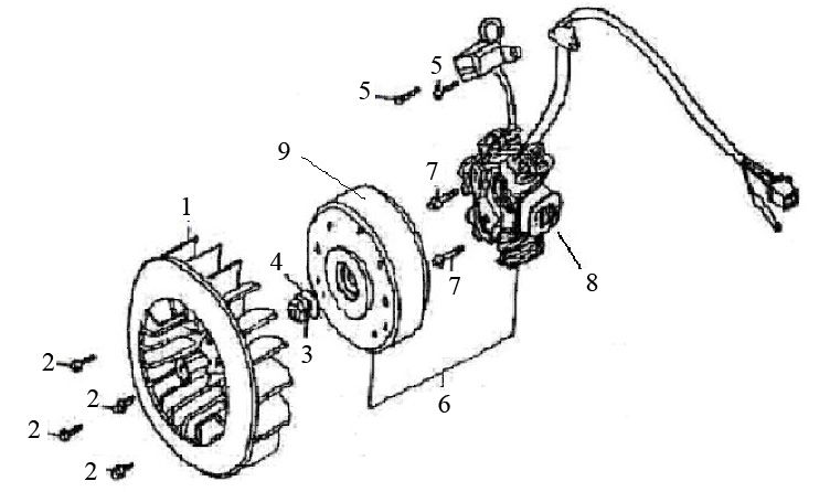
Zapłon Giantco Grand Venus 125cc

Zapłon Giantco Grand Venus 125cc
loader
Ładowanie...

Giantco Grand Venus 125cc