Peugeot Speedfight 4 50i Euro 5 onderdelen
De Peugeot Speedfight 4 50i Euro 5 is een sportieve en moderne 50cc scooter met een agressief en herkenbaar design. Dit model is uitgerust met een 50cc EFI-injectiemotor die voldoet aan de Euro 5-emissienorm. Dankzij de injectietechniek levert de Speedfight 4 50i soepele prestaties, een laag brandstofverbruik en betrouwbare werking.
Bij Zandri vind je een uitgebreid assortiment originele én vervangende onderdelen voor de Peugeot Speedfight 4 50i E5. Geschikt voor onderhoud, reparatie en schadeherstel – snel uit voorraad leverbaar.
Veel bestelde Peugeot Speedfight 4 50i E5 onderdelen
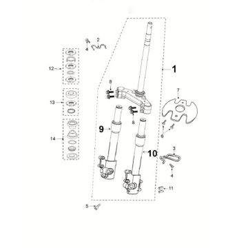
- Remblokken, remschijven en remklauwen
- Banden en velgen
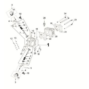
- Injectoren, sensoren en luchtfilters
- Variateur, koppeling en V-snaren
- Elektrische componenten zoals ECU, startmotor en verlichting
- Uitlaten en motoronderdelen
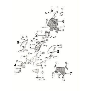
- Plaatwerkdelen, spiegels en verlichting
Complete kappenset voor de Peugeot Speedfight 4
Is het plaatwerk van je scooter beschadigd of wil je jouw Speedfight 4 een compleet nieuwe uitstraling geven? Bij Zandri is een complete Peugeot Speedfight 4 kappenset (14-delig) verkrijgbaar in een sportieve matzwarte uitvoering. Deze kappenset is ideaal voor schadeherstel of een volledige restyling van je scooter.
Originele en vervangende onderdelen voor de Speedfight 4
Zandri levert zowel originele Peugeot onderdelen als kwalitatieve vervangende onderdelen voor de Speedfight 4 50i Euro 5. Zo kies je zelf de beste oplossing voor jouw scooter, zonder concessies te doen aan pasvorm of betrouwbaarheid.
Accessoires voor de Peugeot Speedfight 4
Naast onderdelen zijn er diverse accessoires beschikbaar voor de Peugeot Speedfight 4, waaronder:
- Windschermen
- Sportieve spiegels
- Kentekenplaathouders
- Beschermdelen en stylingaccessoires
Waarom onderdelen bestellen bij Zandri?
- Snelle levering – meestal binnen 1–3 werkdagen
- Groot assortiment – veel Speedfight 4 onderdelen direct beschikbaar
- Originele én vervangende onderdelen
- Deskundig advies – wij helpen je graag bij het juiste onderdeel
Bestel Peugeot Speedfight 4 50i Euro 5 onderdelen bij Zandri
Bij Zandri bestel je eenvoudig alle onderdelen voor jouw Peugeot Speedfight 4 50i Euro 5. Snel geleverd, betrouwbaar en geschikt voor zowel onderhoud als reparatie.


