USP Icon
Zapłać po dostawie
USP Icon
Klienci oceniają Zandri na 9
USP Icon
Ponad 100 000 części w asortymencie

Wydech Berini Bella Milano pomarańczowy

Wydech Berini Bella Milano pomarańczowy
loader
Ładowanie...

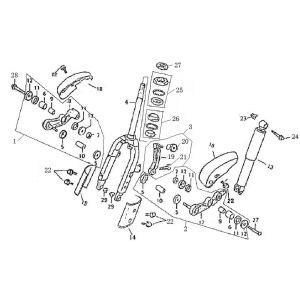
Części zamienne Berini Bella Milano pomarańczowy