USP Icon
Zapłać po dostawie
USP Icon
Klienci oceniają Zandri na 9
USP Icon
Ponad 100 000 części w asortymencie

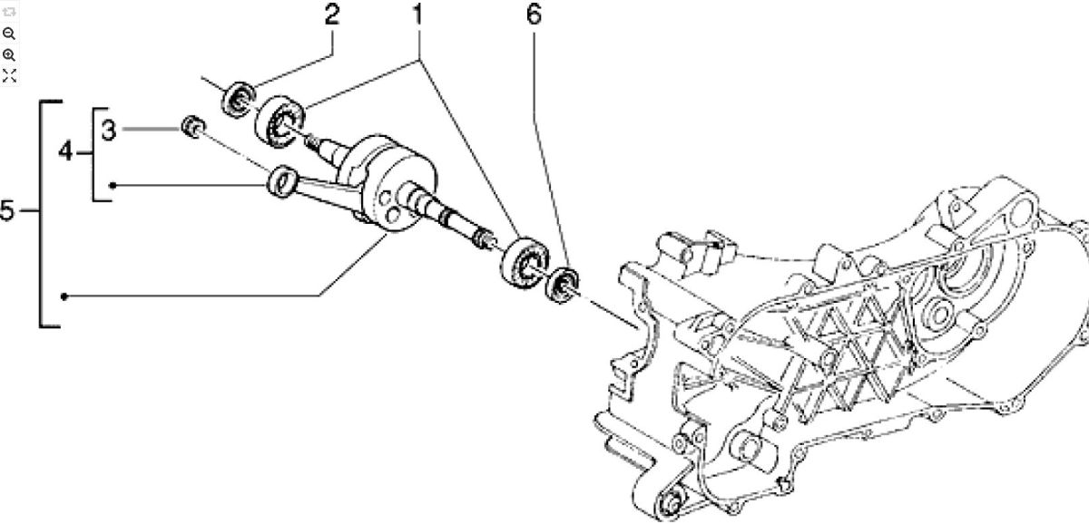
Wał korbowy Piaggio Zip RST

Wał korbowy Piaggio Zip RST
loader
Ładowanie...