USP Icon
Zapłać po dostawie
USP Icon
Klienci oceniają Zandri na 9
USP Icon
Ponad 100 000 części w asortymencie

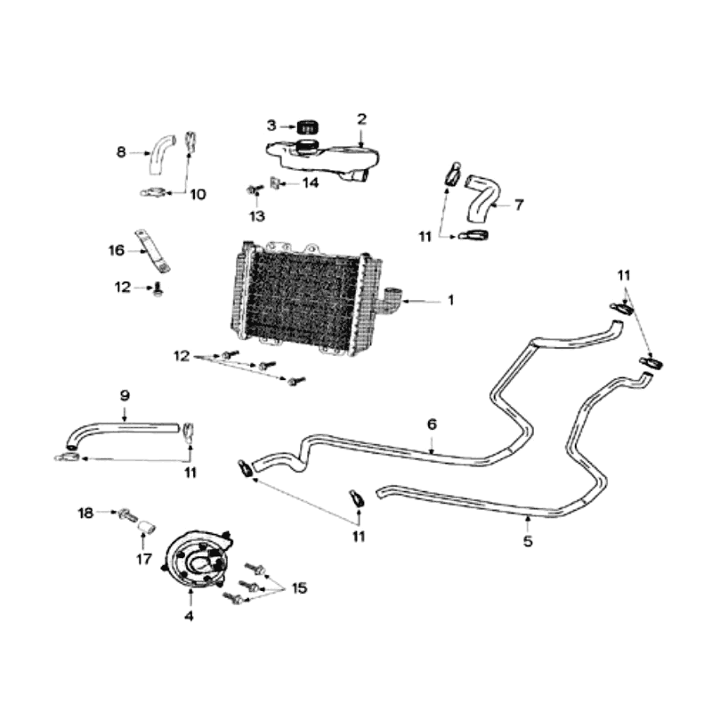
Układ chłodzenia Peugeot Speedfight 3 LC czarny

Układ chłodzenia Peugeot Speedfight 3 LC czarny
loader
Ładowanie...