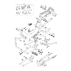
Schakel mechanisme Tomos REVIVAL (25-45KMH) (K1-K5)

Mój koszyk
Produkt w koszyku Produkty w koszyku
Suma częściowa:
Dostawa:
Oszacowane w następnym kroku
Subtotal excl Tax:
Kontynuuj Podsumowanie używając swojego konta
Kontynuuj Podsumowanie jako nowy klient
Stworzenie konta ma wiele korzyści: