USP Icon
Zapłać po dostawie
USP Icon
Klienci oceniają Zandri na 9
USP Icon
Ponad 100 000 części w asortymencie

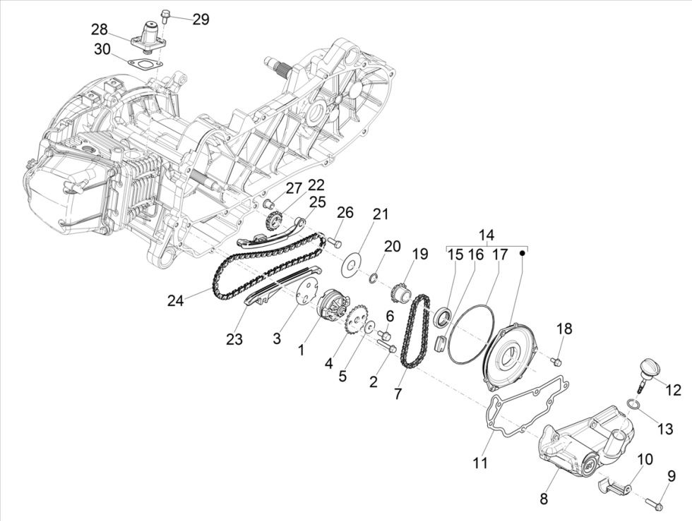
Piaggo Zip 4-suwowa pompa olejowa (wtrysk euro5 IGET)

Piaggo Zip 4-suwowa pompa olejowa (wtrysk euro5 IGET)
loader
Ładowanie...

Onderdelen Piaggio Zip 4-takt (euro5 injectie IGET)