USP Icon
Zapłać po dostawie
USP Icon
Klienci oceniają Zandri na 9
USP Icon
Ponad 100 000 części w asortymencie

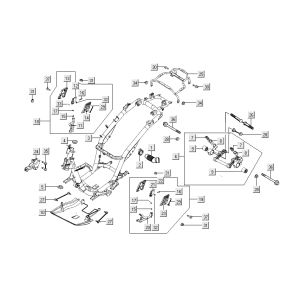
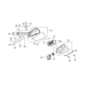
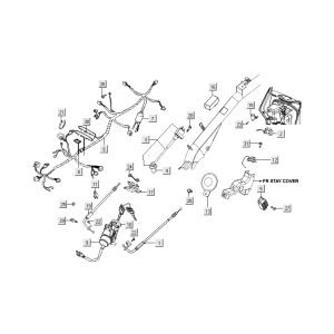
Gaźnik - dławić Kymco People S 4-suwowy tytan

Gaźnik - dławić Kymco People S 4-suwowy tytan
loader
Ładowanie...

Części zamienne Kymco People S 4-suwowy tytan