USP Icon
Zapłać po dostawie
USP Icon
Klienci oceniają Zandri na 9
USP Icon
Ponad 100 000 części w asortymencie

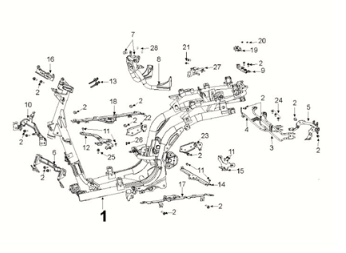
Frame Peugeot Django 125 EFI E5 2021-2022

Frame Peugeot Django 125 EFI E5 2021-2022
loader
Ładowanie...

Peugeot Django 125 EFI E5 2021-2022 DEEP OCEAN BLUE/MAD GREY (S5)