USP Icon
Zapłać po dostawie
USP Icon
Klienci oceniają Zandri na 9
USP Icon
Ponad 100 000 części w asortymencie

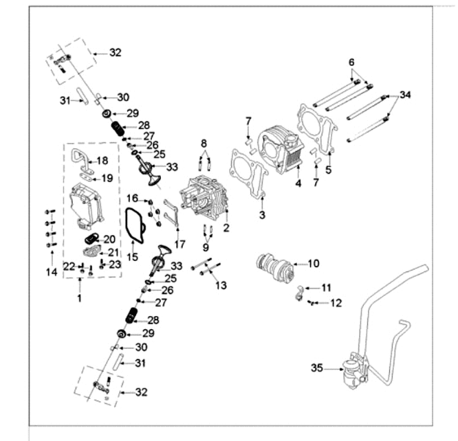
Distributie Peugeot Tweet 125 E3 2010-2013

Distributie Peugeot Tweet 125 E3 2010-2013
loader
Ładowanie...

Zandri