USP Icon
Zapłać po dostawie
USP Icon
Klienci oceniają Zandri na 9
USP Icon
Ponad 100 000 części w asortymencie

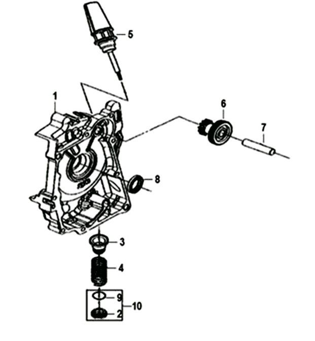
Carter rechts Sym Crox 50 E4

Carter rechts Sym Crox 50 E4
loader
Ładowanie...